Годы производства 1965—1978 г.г.

Модификации

Серия N - 1965 - 1966 г.г.
Серия N1 - 1966 по 1968 г.г.
Серия N2 - 1968 по 1971 г.г.
Серия N3 - 1971 по 1978г.г.

Изображения

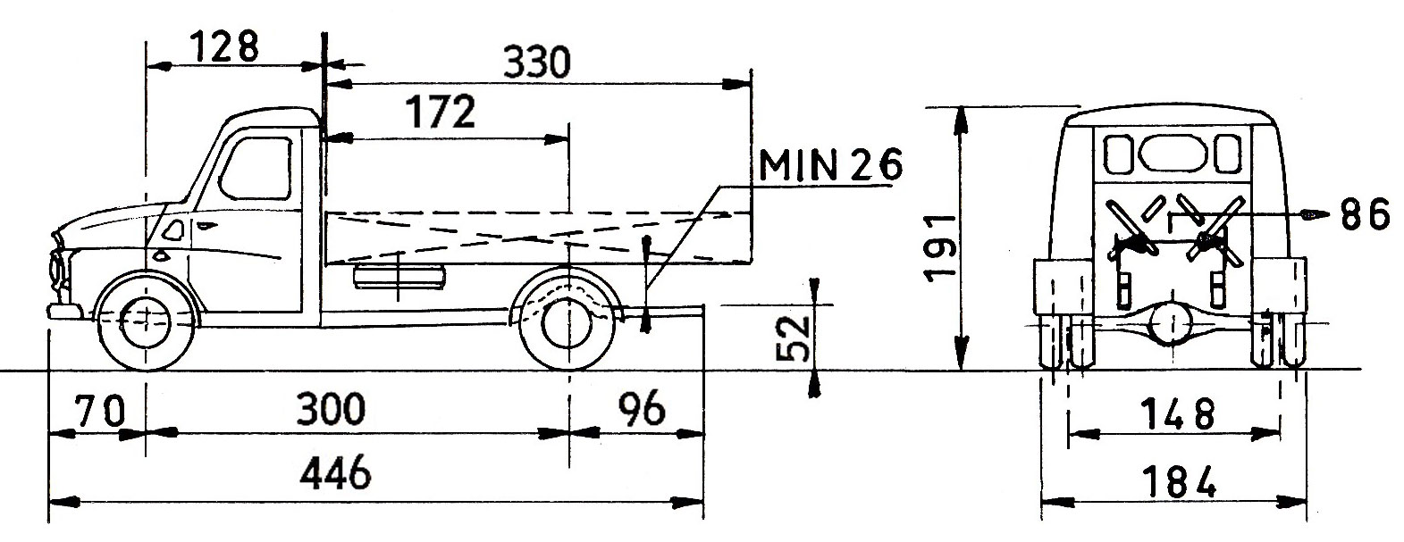
Fiat 616 N

Fiat 616 NFiat 616 NFiat 616 NFiat 616 NЧертеж Fiat 616 N

Fiat 616 N2

Fiat 616 N2Fiat 616 N2Fiat 616 N2

Fiat 616 N3

Fiat 616 N3Fiat 616 N3Fiat 616 N3


Правообладателям